Vengineerの妄想

人生を妄想しています。

2023-01-23から1日間の記事一覧

Graphcore IPU-M2000 のブロック図

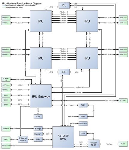
はじめに Graphcore IPU M2000 のブロック図が公開されていたので、記録のためにブログに残します IPU M2000 BMC User Guide なるところに下記のようなブロック図がありましたので、説明のために引用します。 IPU M2000には、4個の IPU が搭載されています。…